Introduction
[SWC-BH universal coupling]
Automobile drive shaft couplingUniversal coupling
-Mainly used in rolling machinery, hoisting transport machinery and other heavy machinery, connecting two different axis drive shaft systems, the rotary diameter is 58-620mm, the transmission nominal torque is 0.15~1000kN·m, the axis angle is ≤25°;
-Reasonable structure, safe and reliable use, the use of integral fork head eliminates the weak link of the bolt compression bearing seat (cover), completely avoids the common malignant damage caused by bolt loosening or breaking, and the service life is better than other types. The shaft is increased by 30% to 50%;
-High carrying capacity;
-Transmission efficiency is up to 98.6%, used for high-power transmission, energy saving is remarkable, and power consumption can be reduced;
-The transmission is stable and the noise is low. The general noise is 30~40dB(A);
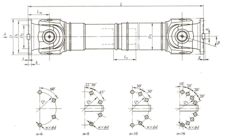
- Tf—the allowable torque according to the fatigue strength under alternating load, Lmin—the minimum length after shortening, L—installation length, determined as needed;
|
Coupling model |
Swing diameter D/ mm |
Nominal torque Tn/ kN·m |
Axis chamfer β(°) |
Fatigue torque Tf/ kN ·m |
Expansion amount Ls |
Size(mm) |
Moment of inertia(I) kg·m2 |
Mass G(kg) |
|||||||||||
|
Lmin |
D1 js11 |
D2 (H7) |
D3 |
Lm |
n-d |
k |
t |
b (h9) |
g |
Lmin |
increase 100 mm |
Lmin |
increase 100 mm |
||||||
|
SWC58BH |
58 |
0.15 |
≤35 |
0.075 |
35 |
325 |
47 |
30 |
38 |
35 |
4-5 |
3.5 |
1.5 |
— |
— |
— |
— |
2.2 |
0.26 |
|
SWC65BH |
65 |
0.25 |
0.125 |
40 |
360 |
52 |
35 |
42 |
40 |
4-6 |
4.5 |
1.7 |
3 |
0.29 |
|||||
|
SWC75BH |
75 |
0.4 |
0.2 |
40 |
395 |
62 |
42 |
50 |
45 |
6-6 |
5.5 |
2 |
5 |
0.35 |
|||||
|
SWC90BH |
90 |
0.75 |
0.375 |
45 |
435 |
74.5 |
47 |
54 |
50 |
4-8 |
6 |
2.5 |
6.6 |
0.35 |
|||||
|
SWC100BH |
100 |
1.25 |
≤25 |
0.63 |
55 |
390 |
84 |
57 |
60 |
55 |
6-9 |
7 |
2.5 |
0.0044 |
0.00019 |
6.1 |
0.35 |
||
|
SWC120BH |
120 |
2.5 |
1.25 |
80 |
485 |
102 |
75 |
70 |
65 |
8-11 |
8 |
2.5 |
0.0109 |
0.00044 |
10.8 |
0.55 |
|||
|
SWC150BH |
150 |
5 |
2.5 |
80 |
590 |
130 |
90 |
89 |
80 |
8-13 |
10 |
3 |
0.0423 |
0.00157 |
24.5 |
0.85 |
|||
|
SWC180BH |
180 |
12.5 |
6.3 |
100 |
810 |
155 |
105 |
114 |
110 |
8-17 |
17 |
5 |
0.175 |
0.007 |
70 |
2.8 |
|||
|
SWC200BH |
200 |
35.5 |
≤15 |
18 |
120 |
900 |
170 |
120 |
140 |
120 |
8-17 |
18 |
5 |
28 |
8 |
0.3765 |
0.0716 |
110 |
3.5 |
|
SWC225BH |
225 |
40 |
20 |
140 |
920 |
196 |
135 |
152 |
120 |
8-17 |
20 |
5 |
32 |
9 |
0.538 |
0.0234 |
122 |
4.9 |
|
|
SWC250BH |
250 |
63 |
31.5 |
140 |
1035 |
218 |
150 |
168 |
140 |
8-19 |
25 |
6 |
40 |
12.5 |
0.966 |
0.0277 |
172 |
5.3 |
|
|
SWC285BH |
285 |
90 |
45 |
140 |
1190 |
245 |
170 |
194 |
160 |
8-21 |
27 |
7 |
40 |
15 |
2.011 |
0.051 |
263 |
6.3 |
|
|
SWC315BH |
315 |
125 |
63 |
140 |
1315 |
280 |
185 |
219 |
180 |
10-23 |
32 |
8 |
40 |
15 |
3.605 |
0.0795 |
382 |
8 |
|
|
SWC350BH |
350 |
180 |
90 |
150 |
1410 |
310 |
210 |
267 |
194 |
10-23 |
35 |
8 |
50 |
16 |
7.053 |
0.2219 |
582 |
15 |
|
|
SWC390BH |
390 |
250 |
125 |
170 |
1590 |
345 |
235 |
267 |
215 |
10-25 |
40 |
8 |
70 |
18 |
12.164 |
0.2219 |
738 |
15 |
|
|
SWC440BH |
440 |
355 |
180 |
190 |
1875 |
390 |
255 |
325 |
260 |
16-28 |
42 |
10 |
80 |
20 |
21.42 |
0.4744 |
1190 |
21.7 |
|
|
SWC490BH |
490 |
500 |
250 |
190 |
1985 |
435 |
275 |
325 |
270 |
16-31 |
47 |
12 |
90 |
22.5 |
32.86 |
0.4744 |
1452 |
21.7 |
|
|
SWC550BH |
550 |
710 |
355 |
240 |
2300 |
492 |
320 |
426 |
305 |
16-31 |
50 |
12 |
100 |
22.5 |
68.92 |
1.357 |
2380 |
34 |
|


