Introduction
[LX star coupling]
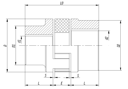
flexible coupling,star couplingFlexible coupling
- Compact size and low inertia. -
-Using engineering plastics as elastic components, cushioning, shock absorption, wear resistance, working temperature -35 ~ +80 °C, maintenance-free.
-The elastic body is limited by the convex claw block, which can avoid the internal deformation caused by the impact and the external deformation caused by the centrifugal force. The large concave surface of the claw makes the surface pressure on the involute tooth small, even if the tooth is overloaded, the tooth still Will not wear or deform.
-Axial plug-in installation.
-Special structure can be designed according to customer requirements;
-Coupling material can be selected according to customer requirements;
-The dimensions in the figure can be made according to customer requirements; other technical parameters can be consulted by BNK Technology Department;
|
Coupling model |
Nominal torque N·m |
Maximum required speed rpm |
d1、d2 mm |
L mm |
L0 mm |
D mm |
D1、D2 mm |
E mm |
S mm |
Moment of inertia kg·m2 |
Mass kg |
|
BLX40 (LX1) |
20 |
14000 |
6-25 |
25 |
66 |
40 |
40 |
16 |
2 |
0.0001 |
0.43 |
|
BLX55 (LX2) |
71 |
10600 |
8-35 |
30 |
78 |
55 |
55 |
18 |
2 |
0.0003 |
0.85 |
|
BLX65 (LX3) |
200 |
8500 |
10-40 |
35 |
90 |
65 |
65 |
20 |
2.5 |
0.0006 |
1.5 |
|
BLX80 (LX4) |
400 |
9500 |
12-48 |
45 |
114 |
80 |
78 |
24 |
3 |
0.0029 |
3.3 |
|
BLX95 (LX5) |
560 |
8000 |
14-55 |
50 |
126 |
95 |
94 |
26 |
3 |
0.0076 |
6.1 |
|
BLX105 (LX6) |
630 |
7100 |
15-60 |
56 |
140 |
105 |
104 |
28 |
3.5 |
0.010 |
7.7 |
|
BLX120 (LX7) |
800 |
6300 |
20-70 |
65 |
160 |
120 |
118 |
30 |
4 |
0.025 |
9.5 |
|
BLX135 (LX8) |
900 |
5600 |
22-75 |
75 |
185 |
135 |
134 |
35 |
4.5 |
0.044 |
15.3 |
|
BLX160 (LX9) |
2000 |
4750 |
30-90 |
85 |
210 |
160 |
158 |
40 |
5 |
0.071 |
22.2 |
|
BLX200 (LX10) |
5000 |
3750 |
40-100 |
100 |
245 |
200 |
180 |
45 |
5.5 |
0.190 |
40.5 |
|
BLX225 (LX11) |
7100 |
3350 |
50-110 |
110 |
270 |
225 |
200 |
50 |
6 |
0.315 |
62.5 |
|
BLX255 (LX12) |
8000 |
3000 |
60-125 |
120 |
295 |
255 |
230 |
55 |
6.5 |
0.61 |
78.3 |
|
BLX290 (LX13) |
10000 |
2650 |
60-145 |
140 |
340 |
290 |
265 |
60 |
7 |
1.03 |
103.2 |
|
BLX320 (LX14) |
14000 |
2360 |
60-165 |
155 |
375 |
320 |
300 |
65 |
7.5 |
1.71 |
151 |
|
BLX370 (LX15) |
20000 |
2000 |
80-190 |
175 |
425 |
370 |
345 |
75 |
9 |
3.61 |
230 |
|
BLX420 (LX16) |
25000 |
1800 |
85-220 |
195 |
475 |
420 |
400 |
85 |
10.5 |
6.20 |
301 |


